產品中心Product
浙江省永嘉縣甌北鎮和一工業區陽光大道1668號 0577-67377110 67377119 (銷售熱線) 0577-67315555 67317555 (銷售二部) szzkfm@163.com http://www.fjcmwj.com
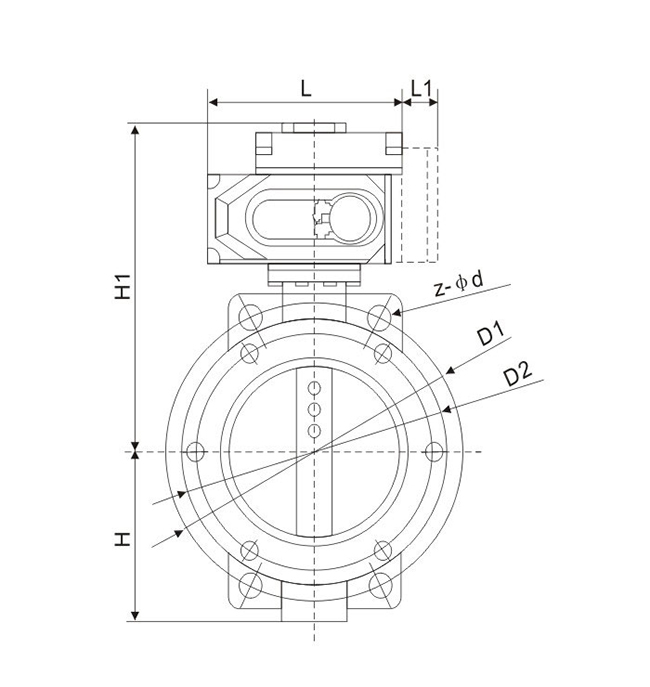
產品中心 電動蝶閥>> 電動三偏心硬密封蝶閥 返回首頁
立即咨詢
主營:氣動球閥,氣動蝶閥,氣動閥門,氣動執行器浙江雙中自控閥門有限公司 Copyright ? 2015 www.fjcmwj.com, All Rights Reserved